Серийно производимый полупроводниковый сенсор СГ 2140-А1 применяется для непрерывного измерения оксида углерода (СО) и суммы углеводородов в окружающем воздухе.
Сенсор используется в качестве комплектующего изделия в газосигнализаторах.
Датчик СГ 2140-А1 имеет взрывозащищённое исполнение. Измерительная ячейка подходит для использования в зонах с повышенной опасностью взрыва, а также в помещениях категории В1. Эффективно работает в широком диапазоне температур от -60 до +100 °C и при влажности от 0 до 98%.
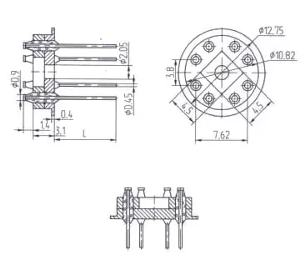
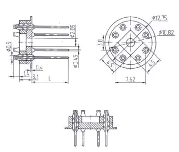
Устройство представляет собой компактную "таблетку", помещённую в прочный металлический корпус с защитной сеткой. Чувствительные элементы выполнены на основе полупроводниковых оксидов металлов, нагреватель - из композиционного материала на основе платины.
Материал изготовления выводов датчика - позолоченная коваровая проволока.
СГ 2140-А1 СГ 2140-А1 обеспечивает надёжный и стабильный сигнал в течение 10 часов беспрерывной работы, при этом изменение сопротивления составляет не более 10%.
Средний срок службы – 3 года.
Гарантийный срок эксплуатации – 1 год.
Компания «НПП «ГазоАналит» предлагает широкий ассортимент датчиков для контроля газов в различных отраслях промышленности. Для заказа или получения дополнительной информации просим обращаться по телефону 8-800-250-29-33, электронной почте zakaz@gazoanalit.ru или оставьте заявку на сайте.
